EXPLORANDO CAMPUS-AUTO
RECURSO PROFESORADO: Etapas del proceso de reciclado
El fin de vida de una gran cantidad de baterías de ion-litio en el futuro cercano demanda estrategias de gestión que permitan reintegrarlas en la cadena de valor. Siguiendo los principios de la nueva economía circular, se promueve su reutilización en una segunda vida mediante aplicaciones alternativas, como el almacenamiento estacionario de energía. Aunque actualmente el reciclado se considere como...(Ir al apartado)
TECNOLOGÍA: Autorecarga de la batería de alta tensión
Cuando el rotor de la máquina eléctrica gira sin que se aplique corriente a las fases, se produce el fenómeno de inducción electromagnética (ley de Faraday). Este fenómeno se da cuando un bobinado se encuentra dentro de un campo magnético y se lo hace girar, lo que resulta en el corte de las líneas de fuerza del campo magnético. Como consecuencia, se induce una fuerza electromotriz (FEM) en forma de corriente alterna en cada una de las fases del estátor, generando una corriente alterna trifásica.(ir al apartado)
PRÁCTICA: Aislamiento de alta tensión
El procedimiento de uso del megaóhmetro sigue la técnica del parcelamiento, que consiste en desconectar sucesivamente tramos y componentes de la red de alta tensión, realizando pruebas de aislamiento en cada uno de ellos hasta identificar el tramo o componente que está causando la fuga de corriente y, por ende, la pérdida de aislamiento.
TECNOLOGÍA: Máquinas eléctricas de flujo axial
Las máquinas eléctricas de flujo axial también trabaja de forma síncrona, lo que significa que la velocidad de rotación del rotor coincide con la velocidad del campo magnético generado por el estator, girando en perfecta sincronización. A diferencia de las máquinas eléctricas de flujo radial, donde el rotor se encuentra en el centro del estator, en las máquinas de flujo axial, el rotor se sitúa en paralelo al estator, lo que permite que el flujo magnético siga una trayectoria paralela al eje de rotación.(Ir al apartado)
TECNOLOGÍA: Funcionamiento del convertidor eléctrico CC/CC con transistor Mosfet
El convertidor eléctrico CC/CC únicamente reduce el voltaje de alta tensión a una tensión más baja. No realiza una transformación de corriente debido a que la batería de alta tensión suministra corriente continua y los componentes de baja tensión del vehículo trabajan a baja tensión. Para llevar a cabo esta tarea, el convertidor emplea un transformador eléctrico que opera a través del principio de inducción magnética entre dos bobinados completamente aislados.(Ir al apartado)
RECURSO PROFESORADO: Leyes de Kirchhoff
Las leyes de Kirchhoff son dos igualdades que se basan en la conservación de la energía y la carga en los circuitos eléctricos. También se le conoce como ley de nodos o primera ley de Kirchhoff. Esta ley dice lo siguiente: "En cualquier nodo, la suma de las corrientes que entran en ese nodo es igual a la suma de las corrientes que salen. De forma equivalente, la suma de todas las corrientes...(Ir al apartado)
RECURSO PROFESORADO: Conexión equipotencial
La conexión equipotencial se refiere a la unión eléctrica de elementos o puntos dentro de un sistema eléctrico para mantenerlos a un mismo potencial eléctrico. En otras palabras, los elementos conectados equipotencialmente tienen el mismo nivel de voltaje, eliminando cualquier diferencia de potencial entre ellos. La conexión equipotencial es fundamental para garantizar la seguridad en instalaciones eléctricas y sistemas...(Ir al apartado)
PRÁCTICA: Equipos de protección individual para alta tensión
En el caso de que las medidas preventivas, técnicas y organizativas no hayan conseguido aminorar o eliminar en gran medida un riesgo para el usuario, entonces será obligatorio el uso del EPI, siendo este la última protección frente al riesgo. Si el trabajo que vaya a realizar el operario puede acontecerle algún tipo de riesgo, el empresario deberá elegirle el EPI más adecuado tomando las siguientes consideraciones...
PRÁCTICA: Puesta en seguridad de vehículos eléctricos e híbridos
Los trabajos destinados a la manipulación de vehículos electrificados, requieren de unas medidas de seguridad y protección necesarias frente a posibles descargas eléctricas, cortocircuitos o arcos voltaicos. Siempre que sea posible se trabajará habiendo desconectado previamente la alta tensión. Para ello, el técnico cualificado y autorizado tendrá en cuenta las siguientes reglas de seguridad: desconectar la alta tensión y los circuitos auxiliares, prevenir la reconexión del sistema y verificar la ausencia de tensión.
RECURSO PROFESORADO: Método de respiración artificial
La respiración artificial, también conocida como ventilación boca a boca, es una técnica de primeros auxilios utilizada para proporcionar aire a los pulmones de una persona que ha dejado de respirar o cuya respiración es inadecuada. Este procedimiento es fundamental para mantener el suministro de oxígeno en el cuerpo y prevenir daños cerebrales debido a la falta de oxígeno. Para realizar correctamente la respiración artificial es preciso que la persona haya tenido un previo entrenamiento y formación en ello por una persona cualificada.(Ir al apartado)
DETONACION DE UN AIRBAG
En el siguiente vídeo, se puede observar detalladamente una detonación controlada de un airbag.
PRÁCTICA:ESTRUCTURA INTERNA DE LA BATERÍA DE TESLA MODEL S DE 85 KWH
El Tesla Model S de 85 kWh monta una batería de alta tensión con una configuración de 16 módulos con 6 ladrillos (elementos) cada uno. Cada ladrillo contiene 84 celdas (18650) en paralelo. Cada celda tiene un voltaje nominal de 3,75 V y una capacidad
de 3,4 Ah.
PRÁCTICA:ESTRUCTURA INTERNA DE LA BATERÍA DE NISSAN LEAF DE 40 KWH
El Nissan Leaf de 40 kWh monta una batería de alta tensión con una configuración de 24 módulos con 2 elementos cada uno. Cada elemento dispone de 4 celdas con una configuración de 2 conexiones en serie de 2 celdas en paralelo. Cada celda tiene un
voltaje nominal de 3,75 V y una capacidad de 56,3 Ah.
RECURSO PROFESORADO: TIPOS DE CONEXIÓN ENTRE EL TERMINAL DE RECARGA Y EL VEHÍCULO
La conexión entre el terminal y el vehículo están recogidos en varias normativas, siendo las más destacables la norma ITC-BT-52 y la UNE-EN 61815-1. Existen cuatro casos de conexión.
RECURSO PROFESORADO: ESTRUCTURA INTERNA DE UNA BATERÍA DE ALTA TENSIÓN
Cada
fabricante diseña la batería conforme al espacio que se dispone en los bajos del vehículo, pero todos disponen de los mismos componentes en cuanto a acumulación de energía se refiere: celdas – elementos – módulos. Hay que tener en cuenta que estos
nombres no están estandarizados y algunos fabricantes ponen otros nombres.
PRÁCTICA: REPARACIÓN DE LA BOMBA DE ACEITE DEL DSG DE 6 VELOCIDADES
La bomba de aceite es del tipo anular con dentado trocoide. El engranaje central es accionado por el eje de la bomba y mueve al engranaje exterior para aumentar la presión hidráulica. Mediante la placa lunular, se pueden llegar a conseguir altas presiones a bajas revoluciones. La presión máxima que llega a alcanzar es de 20 bar.
PRÁCTICA: REPARACIÓN DE LA UNIDAD MECHATRONIC DEL DSG DE 7 VELOCIDADES
La parte electrónica de los cambios DSG se suministra como una unidad constructiva única e indivisible. Para proceder a su desmontaje y sustitución se deben tomar ciertas precauciones y realizar una secuencia de trabajo concreta o determinada.
PRÁCTICA: REPARACIÓN DEL DOBLE EMBRAGUE DEL DSG DE 7 VELOCIDADES
El conjunto de los dos embragues en seco se suministra como una pieza única y se debe cambiar por completo. Para su sustitución es necesario disponer de varios útiles específicos para el desmontaje, así como útiles para hacer mediciones de ajuste. El siguiente vídeo muestra el proceso mecánico de desmontaje y sustitución, así como los útiles necesarios y las regulaciones electrónicas pertinentes.
PRÁCTICA: REPARACIÓN DE LA UNIDAD MECHATRONIC DEL DSG DE 6 VELOCIDADES
La unidad Mechatronic se suministra entera. Es decir, las válvulas no se suministran por separado pues se trata de una unidad muy compleja donde todo funciona como un conjunto. La Mechatronic solo puede sustituirse de forma completa. Al desconectar el conector eléctrico de la Mechatronic tiene que conectarse una toma de masa para hacer que...
PRÁCTICA: REPARACIÓN DEL DOBLE EMBRAGUE DEL DSG DE 6 VELOCIDADES
De origen el embrague viene perfectamente ajustado, es decir, los discos vienen ajustados entre sí de modo que tengamos una uniformidad óptima. Si se desmonta el paquete de embrague es posible que el mecánico no pueda volver a disponerlos de forma correcta y consecuentemente aparecerán los desajustes o irregularidades descritos.
RECURSO PROFESORADO: FUNCIONAMIENTO COMPLETO DEL SISTEMA HIDRÁULICO DEL HALDEX
Cuando se alcanza la presión de trabajo deseada en el émbolo, la excitación de la electroválvula se reduce de modo que se cierra el paso de aceite y el paso de retorno sigue cerrado, así se mantiene la presión de trabajo en el émbolo.
RECURSO PROFESORADO: MANTENIMIENTO DEL DSG DE 7 VELOCIDADES
El cambio de 7 velocidades DSG dispone de dos tipos de lubricantes, uno para los engranajes y otro para el circuito hidráulico. Ambos lubricantes tienen una vida útil suficiente para no realizar ningún tipo de sustitución. En caso de desmontaje o pérdida de lubricante, se deberá vaciar y volver a añadir unas cantidades determinadas de lubricante en ambos casos.(Ir al apartado)

Estos compresores tienen un principio de funcionamiento muy parecido a los motores Wankel. En el interior tienen un rotor, que es un tambor de sección circular o de tipo especial Wankel en el cual se han situado varias paletas. Las paletas son las encargadas...(Ir al apartado)
TECNOLOGÍA: PRINCIPIO DE FUNCIONAMIENTO DE LOS TRENES EPICICLOIDALES
El tren de engranajes planetarios, también denominado tren epicicloidal, es el elemento que transforma el número de revoluciones y el par de giro, pudiendo además invertir la dirección de la rotación. Actuando sobre sus elementos se pueden obtener diferentes resultados sin necesidad de desplazar ningún engranaje. Constituye la base de las cajas de cambios automáticas...(Ir al apartado)
La banda de rodadura constituye el único elemento de enlace entre el vehículo y la carretera, mediante el cual se desarrolla el complicado proceso de adherencia. A lo largo de la historia del neumático, la banda ha sufrido profundas transformaciones, desde las primeras totalmente lisas y estrechas, hasta los más modernos dibujos para facilitar la evacuación del agua y aumentar la adherencia sobre múltiples tipos de pavimento.(Ir al apartado)
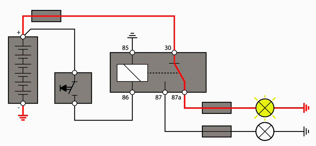
TECNOLOGÍA: FUNCIONAMIENTO DEL RELÉ
El funcionamiento de un relé es muy simple; por un lado, dispone de dos o más contactos que van conectados al circuito que se desea controlar y, por otro lado, dispone de dos conexiones que alimentan a la bobina, siendo estas las que van conectadas al circuito de control del relé. Cuando se alimenta la bobina, el relé se activa, cerrando los contactos o conmutando...(Ir al apartado)
TECNOLOGÍA: EMBRAGUE DOBLE

Está compuesto por dos embragues secos denominados K1 y K2, transmiten el par a cada árbol primario respectivamente. En reposo están desembragados, por lo tanto no transmiten par a ninguno de los dos árboles primarios.(Ir al apartado)
TECNOLOGÍA: FUNCIONAMIENTO DE LA BOMBA DE HIDRÓGENO
Se trata de una bomba accionada por un motor eléctrico sin escobillas y de rotor formado por imanes permanentes. El mecanismo de la bomba de hidrógeno está compuesto por dos rotores de soplado de raíz fija.(Ir al apartado)
PRÁCTICA: MANTENIMIENTO HALDEX 4ª GENERACIÓN
La capacidad de aceite del embrague Haldex de cuarta generación, es de aproximadamente 0,72 litros. Cuando se realice la verificación de nivel o su sustitución es necesario que la temperatura del aceite este entre 20 y 40 °C, por lo tanto debe utilizarse un útil de diagnosis adecuado.(Ir al apartado)
PRÁCTICA: MANTENIMIENTO HALDEX 3ª GENERACIÓN
El nivel correcto del aceite se determina cuando está lleno hasta el borde inferior del orificio de llenado correspondiente. Para verificar el nivel de aceite del embrague Haldex es necesario que se encuentre a una temperatura entre 20 y 40 °C, por lo tanto debe utilizarse un útil de diagnosis adecuado.(Ir al apartado)
PRÁCTICA: MANTENIMIENTO HALDEX 2ª GENERACIÓN
El embrague Haldex de segunda generación emplea aceite de especificación recomendada por el fabricante es G 055 175 A2. l nivel correcto del aceite se determina cuando está lleno hasta el borde inferior del orificio de llenado correspondiente, nivel por rebosamiento clásico.(Ir al apartado)
PRÁCTICA: MANTENIMIENTO HALDEX 1ª GENERACIÓN
El embrague Haldex de primera generación emplea un aceite de elevado valor antifricción, con especificación recomendada por el fabricante G052 175 A1, para soportar los continuos esfuerzos de cizalladura a los que está sometido.(Ir al apartado)
TECNOLOGÍA: FUNCIONAMIENTO DE LA ELECTROVÁLVULA DE REGULACIÓN DE PRESIÓN
Cuando
la electrobomba comienza a funcionar y genera una presión de 30 bar, esta llega a la electroválvula. Al no estar activada la electroválvula, el émbolo de control no permite el paso de la presión hidráulica. El líquido se dirige por el conducto
de retorno al cárter acumulador. Cuando se excita la electroválvula, se genera una fuerza electromagnética que…(Ir al apartado)
TECNOLOGÍA: FUNCIONAMIENTO DEL ACUMULADOR DE PRESIÓN
El acumulador de presión mantiene la presión hidráulica en el circuito a 30 bar con ayuda de un émbolo de presión y tres muelles que trabajan en paralelo.(Ir al apartado)
Al aumentar la presión de aceite generada por la electrobomba, esta desplaza el émbolo de trabajo. El émbolo a través de los rodamientos de aguja presiona a los discos propiciando su fricción. Dependiendo de la presión de aceite, se comprimen más o menos los discos, determinando de este modo la cantidad de fuerza transmitida al eje trasero.(Ir al apartado)
PRÁCTICA: VERIFICACIÓN Y AJUSTE DE UN CAMBIO CVT
Como en
la gran mayoría de sistemas hidráulicos, en los cambios CVT la comprobación de la presión de línea es la primera que se debe a realizar cuando el funcionamiento del cambio es errático, ya que de ella depende el correcto trabajo de los actuadores.
El caudal y presión suficientes suministrados por la bomba son la base de trabajo de componentes como el convertidor de par y el principio de regulación de los actuadores electrohidráulicos.(Ir al apartado)

Al girar el tambor del convertidor la fuerza centrifuga -3- impulsa hacia el exterior el aceite a través de los álabes de la turbina bomba, en dirección a la rueda de turbina -2- propulsándola. Los álabes de la rueda de turbina dirigen el aceite a los álabes de la rueda directriz o reactor, que conducen a su vez el aceite a la rueda de bomba.(Ir al apartado)

La transmisión CVT (Continuous Variable Transmision) es un tipo de caja de cambios que proporciona una infinidad de relaciones de transmisión sin escalonamiento perceptible entre la relación más corta y más larga que su diseño permite. Entregan de este modo el par de tracción sin interrupción durante la marcha o lo que es lo mismo de forma continua.(Ir al apartado)

Al realizar su desmontaje de la caja de cambios sale junto con el eje portasatélites del tercer engranaje que además contiene en la misma pieza la corona de dentado interior del segundo engranaje.(Ir al apartado)

Fuerza, trabajo y potencia son los conceptos físicos fundamentales relacionados con el diseño de cualquier automóvil necesarios para vencer a fuerza de sentido contrario que se opone a su desplazamiento. El vehículo debe desarrollar una fuerza de accionamiento o empuje igual o superior a la suma de las fuerzas que se oponen a su movimiento, para lograr mantener o aumentar su velocidad respectivamente.(Ir al apartado)
Los neumáticos presentan pocas averías en su vida útil, pero son el punto de contacto del vehículo con la calzada, por lo que todas las acciones u omisiones en el mantenimiento o modo de conducir se reflejan fielmente en el dibujo de la rueda. Su desgaste puede ser producido por frenazos, derrapajes, aceleraciones bruscas…(Ir al apartado)

La permutación es el cambio de posición de los neumáticos, cuando se pasan las ruedas traseras al eje delantero y viceversa para igualar el desgaste de los neumáticos durante su vida útil.(Ir al apartado)
Los neumáticos actuales están formados por diferentes componentes específicamente diseñados para realizar una función específica. Aunque existen ligeras diferencias en función del tipo y medida de neumático, su estructura y disposición resulta común, estando formados por…(Ir al apartado)

Los neumáticos sin aire, son neumáticos que no alojan aire comprimido para brindarles soporte estructural. En la actualidad, se utilizan en vehículos pequeños, tales como cortadoras de césped y carros motorizados de golf. También se utilizan en equipos
pesados como retroexcavadoras.(Ir al apartado)

Este sistema también permite circular al vehículo con un neumático pinchado. Está desarrollado por el fabricante de neumáticos Michelin y permite rodar 200 km a una velocidad no superior a los 80 km/h. A diferencia de los neumáticos run flat, cuyos flancos están reforzados para poder rodar sin aire, en el sistema PAX se monta un soporte entre…(Ir al apartado)

El neumático run flat es un neumático que está reforzado en los flancos que permite seguir rodando durante una distancia de 80 km aproximadamente y a una velocidad no superior a los 80 km/h cuando se produce un pinchazo o perdida de presión total.(Ir al apartado)
En el mundo de la automoción el nitrógeno se utiliza porque al carecer de humedad, evita la oxidación de la llanta y las capas metálicas del neumático, conservando las propiedades y la flexibilidad de la goma. Es un gas muy fácil de obtener y barato, ya que se encuentra en la atmósfera terrestre en una cantidad del 78 %.(Ir al apartado)
Los neumáticos comerciales se identifican por
un código alfanumérico, moldeado en los flancos según un sistema de clasificación estandarizado internacional. Estos códigos especifican sus dimensiones y algunas de sus limitaciones clave, tales como su capacidad de carga o velocidad máxima.
La mayoría de medidas se dan...(Ir al apartado)

Las bombas de paletas suelen agarrotarse o griparse debido a un exceso de temperatura producida en su interior. La temperatura es provocada por el rozamiento de los elementos ocasionando el desgaste entre ellos, también una mala elección del aceite en el mantenimiento del sistema puede provocar dicho problema.(Ir al apartado)

En el caso de la holgura en el sistema de cremallera, la comprobación podrá realizarse mediante una prueba dinámica en carretera a través de la cual se podrán detectar recorridos "muertos" del volante en los que no se transmite efecto alguno sobre
la dirección. Para verificar si el problema es consecuencia de holguras en la caja de dirección, subiremos el vehículo a un elevador y…(Ir al apartado)

Las holguras producidas en la caja de dirección de tornillo sin fin pueden ser producidas por falta de lubricación o a consecuencia de un uso prolongado. Cuando es consecuencia de una falta de lubricación ha de verificarse si el problema radica en
los retenes o juntas de la caja en cuyo caso habrá que proceder a sustituirlos.(Ir al apartado)

Para poder modificar las cotas estudiadas anteriormente, hay en el mercado diversas máquinas para hacer la alineación de la dirección. Estas máquinas pueden ser analógicas, que proyectan un haz de luz en unos paneles calibrados...(Ir al apartado)

Los retenes tienen múltiples aplicaciones en el sector del automóvil, en sistemas como motor, transmisión, dirección, etc. En los sistemas de dirección se aplica sobre todos aquellos ejes que estén sometidos a rotación o desplazamiento, como lo son por ejemplo...(Ir al apartado)

Tras un impacto importante del vehículo, existen muchas posibilidades de que se produzcan cortocircuitos eléctricos en el cableado de los diferentes sistemas, lo que puede incurrir a la aparición de algún chispazo eléctrico que en numerosas ocasiones
puede acabar en un incendio.(Ir al apartado)

Las principales causas de degradación prematura de los rodamientos son la contaminación, lubricación inadecuada, sobrecarga excesiva, uso incorrecto y manipulación o instalación incorrecta.(Ir al apartado)

Tras la introducción del airbag para el acompañante, por razones técnicas de seguridad y del ramo de seguros, se hizo necesario detectar si el asiento del acompañante está ocupado por una persona o no. Si el asiento del acompañante no está ocupado en caso de un accidente, no debiéndose efectuar, por tanto, ninguna función de protección, la activación del airbag ocasionaría costes de reparación innecesarios.(Ir al apartado)

La dirección accionada por cremallera es la más utilizada hoy día. Este tipo de dirección se puede utilizar con sistemas de asistencia hidráulica o eléctrica para suavizar el giro del volante. Es un sistema muy sencillo que cuenta con un piñón...(Ir al apartado)

El motor de dos tiempos se diferencia del de cuatro tiempos en que carece de sistema de distribución (la admisión y el escape se realizan a través de lumbreras en vez de por válvulas), y la mezcla está compuesta por...(Ir al apartado)

Este tipo de dirección consiste en un tornillo que engrana constantemente con una rueda dentada. El tornillo se une al volante mediante la columna de dirección, y la rueda lo hace al brazo de mando. De esta manera, por cada vuelta del volante, la rueda gira un cierto ángulo, mayor o menor según la desmultiplicación de los engranajes...(Ir al apartado)

En primer lugar, se recomienda comprobar el estado de los cilindros de forma visual, comprobando que no presente ninguna señal o marca superficial de desperfecto grave. Posteriormente, se efectúan las mediciones pertinentes. Mediante un calibre comparador,
debe tomarse la medida...(Ir al apartado)

Es muy poco probable que se descargue la batería de alta tensión si el vehículo funciona correctamente, sin embargo, tras un período muy largo de no utilización del vehículo y no seguir los pasos para el mantenimiento de la misma, puede suceder.(Ir al apartado)

El embrague de correa fue reemplazado rápidamente por los sistemas de embrague cónico, que transmitían el giro del motor mediante dos ruedas metálicas de perfil cónico inverso y superficies enfrentadas, una de ellas forrada con material específico
de fricción.(Ir al apartado)

Diversos factores influyen en el comportamiento de un motor, por lo que en realidad y práctica este no realiza sus fases como se ha descrito anteriormente en el ciclo teórico...(Ir al apartado)

En un principio el sistema de regulación de avance trabajaba con el vacío de una toma situada justo antes de la posición de reposo de la mariposa de admisión, con lo cual el avance a ralentí era elevado y en retención máximo. La oxidación de la escasa mezcla que llena los cilindros cuando la mariposa ...(
Ir al apartado)

Este tipo de pretensor es activado eléctricamente desde la unidad de control del sistema airbag y utiliza una carga explosiva para funcionar... (Ir al apartado)

Está comprobado que el deficiente comportamiento de un amortiguador puede alargar la distancia de frenado entre un 20% y un 30%
con respecto a un mismo vehículo con el sistema de suspensión en óptimas condiciones de funcionamiento.
Ahora bien, aparte de la mayor distancia de frenado, mayor riesgo de deslizamiento y falta de eficacia del sistema de... (Ir al apartado)
Se ha abierto un nuevo contenido
que explica los compresores de aire acondicionado que puede montar un vehículo híbrido. (Ir al apartado)
FUNCIONAMIENTO MOTOR ALTERNATIVO DIESEL

El ciclo real de un motor diésel de cuatro tiempos se asemeja en sus defectos al de ciclo Otto. Las principales diferencias radican en...(Ir al apartado)

Ya tenéis disponibles los vídeos de las dos sesiones impartidas en relación la temática “Fundamentos de la propulsión eléctrica e híbrida” (Ir al apartado)

Es un amortiguador capaz de variar de forma proporcional la dureza del mismo gracias a que utiliza un fluido magnetoreológico en vez de un aceite convencional. Durante la marcha en la carretera se detecta el tipo de pavimento por los sensores que incorpora el vehículo para la estabilidad, velocidad y posición de ruedas. Dicho amortiguador...
(Ir al apartado)
Junto con la unidad de
radar, el sensor láser es un sensor vital para la gestión de muchos sistemas ADAS. La principal diferencia radica en el tipo de onda emitido. Su alcance puede ser de 150 a 250 metros, a pesar de que en su aplicación en los sistemas ADAS suelen
quedarse en solo 10. (Ir al apartado)
Según fabricante y componente, la calibración puede ser
estática y/o dinámica.Calibración dinámica: Utilizada sobre todo para las cámaras y especialmente en fabricantes como BMW, Ford, Opel y Volvo.
Mediante un equipo de diagnosis se inicia el proceso de calibración del componente y posteriormente... (
Ir al apartado )
Al no disponer de un motor de combustión interna, los fabricantes de vehículos eléctricos deben plantearse cómo accionar el compresor del A/A pues el motor eléctrico no dispone de ninguna polea para la correa de arrastre del compresor. También se ha de tener en cuenta que el motor eléctrico no transmite ningún movimiento rotativo cuando el vehículo está detenido, por ejemplo, en un semáforo … (Ir al apartado)
Esta avería afecta a los KIA Sorento II (MX) equipados con cambio automático. La causa de esta avería puede encontrarse en un ajuste incorrecto del pedal de freno o en la avería del propio interruptor. Para discernir correctamente su origen, se procederá primeramente con la verificación del accionamiento del interruptor. (Ir al apartado)
El elevado número de revoluciones a las que puede girar el motor eléctrico (12000 rpm) y el alto par disponible, hacen que el Renault ZOE no necesite ningún tipo de caja de cambios. A su vez, como el motor eléctrico puede entregar potencia desde el instante 0 (no precisa de ralentí), también permite suprimir cualquier sistema de embrague… (Ir al apartado)
Las condiciones de funcionamiento y uso del sistema de frenado en vehículos híbridos difieren
de los vehículos que utilizan únicamente el motor de combustión interna (ciclo Otto o Diésel).Este tipo de vehículos acoplan motores eléctricos al sistema de tracción, apoyando al motor térmico en aceleraciones O ... (Ir al apartado)
Básicamente, existen dos tipos de motores asíncronos, los de rotor de jaula de ardilla y los de rotor bobinado. El principio de funcionamiento es el mismo en ambos tipos, crear dos campos magnéticos (rotor y estátor) para que interactúen entre sí … (Saber más)
Para la comprobación del estado de la instalación eléctrica
de una red multiplexada física, pueden efectuarse las pruebas siguientes: Comprobación de la resistencia, de la tensión, de la señal multiplexada con osciloscopio, de la reducción de la potencia de la luz, de la integridad del anillo óptico… (Saber más)
La utilización de dos turbocompresores de diferente diámetro
flexibiliza y aumenta el margen de trabajo de sobrealimentación. El limitado cruce de válvulas de los motores diésel actuales compromete la capacidad de llenado e intercambio de… (Saber más)
… el relé consta de dos circuitos, uno de mando o de excitación,
entre los bornes (86) y (85) con una intensidad de miliamperios y otro de potencia, entre los bornes (30) y (87), dimensionado para un paso de corriente de 20 a 40 amperios normalmente. (Saber más)
El Toyota Auris Híbrido tiene dos tipos de tensión eléctrica, la baja
tensión y la alta tensión. La baja tensión es de 12 V y alimenta todos los sistemas del motor de gasolina, luces, unidades de mando... La alta tensión se utiliza exclusivamente para los motores eléctricos que están ubicados dentro de la caja de
cambios.
(Saber más)
Para poder realizar la desconexión del sistema eléctrico,
el sistema dota de unos dispositivos de separación para poder desarrollar las tareas en el vehículo sin tensión de trabajo. Dependiendo del fabricante, el mecanismo puede tener... (Ir al apartado)
En este vídeo se detallan las comprobaciones que deben realizarse sobre
un sistema de recirculación de gases de escape electroneumático. (Ver vídeo)

Campus-auto cuenta con más de 400 vídeos distribuidos a lo largo de los diferentes cursos de la plataforma. Para que, tanto profesores como alumnos, podáis localizarlos sin necesidad de navegar a lo largo y ancho de los contenidos, hemos dispuesto un buscador de vídeo desde el que podréis reproducirlos directamente. (Ir al buscador)
El transeje lo componen, principalmente, dos motores de alta tensión, y un tren epicicloidal a través del cual se gestionan las diferentes desmultiplicaciones. Al estar cada elemento del tren epicicloidal asociado a... (Saber más)
Para localizar pérdidas del líquido refrigerante dispondremos de un comprobador
de fugas con el que proporcionaremos presión al circuito en frío… (Ver vídeo)
El purgado del circuito hidráulico de frenos consiste en eliminar cualquier burbuja de aire existente en el mismo y debe llevarse a cabo después de realizar cualquier intervención sobre el circuito hidráulico de frenado. Existen diferentes métodos
para realizar esta operación. En este vídeo describimos el proceso realizado por succión, ayudándonos para ello de una bomba de vacío. (Ver el vídeo)
Esta avería afecta a los KIA Sorento II (MX) equipados con cambio
automático. La causa de esta avería puede encontrarse en un ajuste incorrecto del pedal de freno o en la avería del propio interruptor. Para discernir correctamente su origen, se procederá primeramente con la verificación del accionamiento del
interruptor. (Ir al apartado)
SEGURIDAD: EQUIPOS DE PROTECCIÓN INDIVIDUAL PARA ALTA TENSIÓN (Vídeo)
La alta tensión en los vehículos híbridos y eléctricos actuales alcanza
valores de entre 400 y 800 V. La utilización de equipos de protección individual dieléctricos es obligatoria … (Ver vídeo)
TECNOLOGÍA: DISTRIBUCIÓN VARIABLE. EL VARIADOR DE FASE CELULAR DE ALETAS
Es el sistema más empleado en la actualidad y cada fabricante lo identifica
con sus propias siglas. Según necesidades puede montarse tanto en el árbol de levas de admisión como en el de escape. El variador celular realiza un desfase en el árbol de levas por medio de... (Saber más)
El proceso de mantenimiento de la caja de cambios
Mercedes-Benz 5G-Tronic (también llamada 722.6) consiste en la sustitución del fluido ATF, filtro de aceite, y la limpieza de su circuito interno. (Ver vídeo)
En este vídeo se describe el proceso a seguir cada
vez que se permutan los neumáticos o se cambian los sensores de rueda, bien sea por agotamiento de su batería, rotura o mal funcionamiento. (Ver vídeo)
El análisis de sincronismo de las señales de posición
del cigüeñal y árbol de levas constituye el método de comprobación ideal para determinar el correcto estado del mecanismo de distribución para, detectar el posible estiramiento de la cadena, desgaste de los piñones de los árboles de levas, … (Ver vídeo)
Constitución de las celdas voltaicas de las baterías de litio y proceso de carga y descarga. (Ver vídeo)
Como profesor dispones de diferentes recursos con los
que acceder a informes muy diversos desde los que podrás hacer un detallado seguimiento de la actividad de tus alumnos en el curso. Recursos de evaluación, calificaciones, tiempos de dedicación, etc. que puedes consultar en este enlace.
La piezorresistencia es la propiedad de algunos materiales
conductores y semiconductores que provoca la variación de su conductividad eléctrica cuando son sometidos a un esfuerzo físico. Es fácil que se confundan los términos... (Saber más)
En los vehículos electrificados existen múltiples elementos y medidas de seguridad para evitar que la alta tensión llegue a producir algún daño en el individuo. Podemos diferenciar los que ya incorpora el propio vehículo y los... (Saber más)
Básicamente, los fabricantes de automóviles eléctricos disponen de dos opciones de motores para equipar en sus vehículos, los síncronos y los asíncronos. Los síncronos son más caros de producir por los materiales que necesita, pero... (Saber más)


